全国统一服务热线:

13332603039

型号查询 X

产品中心Products Center

您的位置:首页 > 产品中心

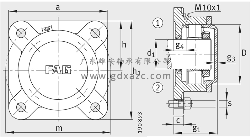
FAG&INA F515-A-L+20215K 带法兰的轴承座

产品名称: FAG&INA F515-A-L+20215K
类型: 带法兰的轴承座 品牌: FAG&INA 轴承
型号: F515-A-L+20215K 厚度(mm): 190.000
内径d: 65.000 外径D: 190.000

广东雄安轴承有限公司 咨询热线:13332603039

联系方式 / CONTACT US

地址:

广东省东莞市南城区高盛科技大厦C座605

电话:

13332603039

邮箱:

gdxiongan@163.com

在线客服
热线电话
13332603039
固话
0769-22288007

扫一扫 加微信