全国统一服务热线:

13332603039

型号查询 X

产品中心Products Center

您的位置:首页 > 产品中心

FAG&INA ZARN2052-L-TV 滚针/推力圆柱滚子轴承

产品名称: FAG&INA ZARN2052-L-TV
类型: 滚针/推力圆柱滚子轴承 品牌: FAG&INA 轴承
型号: ZARN2052-L-TV 厚度(mm): 60.000
内径d: 20.000 外径D: 52.000

广东雄安轴承有限公司 咨询热线:13332603039

详细信息
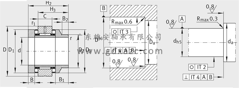
基本参数 型号 ZARN2052-L-TV 系列 滚针/推力圆柱滚子轴承
主要尺寸(mm) d 20 D 52
H - H1 -
H2 60 H3 45
C 16 D1 42
D2 30 D3 40
B 10 B1 24
B2 11 r(min) 0.3
r1(min) 0.6
安装尺寸 Da(max) 43 da(min) 28
基本额定载荷 轴向Ca(N) 33500 轴向C0a(N) 76000
径向Cr(N) 14900 径向C0r(N) 22400
极限转速(min-1) nG 7000 nG 2000
轴承摩擦力矩(Nm) MRL 0.5
刚度轴向(N/μm) CaL 1800
倾覆刚度(Nm/mrad) CkL 230
质量惯性矩(kg·cm2) Mm 0.683
轴向跳动 μm 1
重量 kg 0.46

联系方式 / CONTACT US

地址:

广东省东莞市南城区高盛科技大厦C座605

电话:

13332603039

邮箱:

gdxiongan@163.com

在线客服
热线电话
13332603039
固话
0769-22288007

扫一扫 加微信