全国统一服务热线:

13332603039

型号查询 X

产品中心Products Center

您的位置:首页 > 产品中心

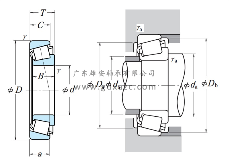
NSK M201047/M201011 单列圆锥滚子轴承(英制系列)

产品名称: NSK M201047/M201011
类型: 单列圆锥滚子轴承(英制系列) 品牌: NSK 轴承
型号: M201047/M201011 厚度(mm): 25.654
内径d: 39.688 外径D: 73.025

广东雄安轴承有限公司 咨询热线:13332603039

详细信息
基本参数 型号 M201047/M201011 系列 单列圆锥滚子轴承(英制系列)
外形尺寸(mm) d 39.688 D 73.025
T 25.654 B 22.098
C 21.336 γ[内圈](最小) 0.8
γ[外圈](最小) 2.3
额定载荷 Cr(N) 62500 C0r(N) 80000
Cr(kgf) 6400 C0r(kgf) 8150
极限转速(rpm) 脂润滑 5000 油润滑 6700
安装尺寸(mm) da 45.5 db 48
Da 64 Db 69
γa[内圈](最大) 0.8 γa[外圈](最大) 2.3
作用点位置(mm) a0 19.7
常数 e 0.33
轴向载荷系数 Y1 1.8 Y0 0.99
重量(kg) 内圈 0.266 外圈 0.169

联系方式 / CONTACT US

地址:

广东省东莞市南城区高盛科技大厦C座605

电话:

13332603039

邮箱:

gdxiongan@163.com

在线客服
热线电话
13332603039
固话
0769-22288007

扫一扫 加微信