全国统一服务热线:

13332603039

型号查询 X

产品中心Products Center

您的位置:首页 > 产品中心

NTN 32964E1 圆锥滚子轴承

产品名称: NTN 32964E1
类型: 圆锥滚子轴承 品牌: NTN 轴承
型号: 32964E1 厚度(mm): 76.000
内径d: 320.000 外径D: 440.000

广东雄安轴承有限公司 咨询热线:13332603039

详细信息
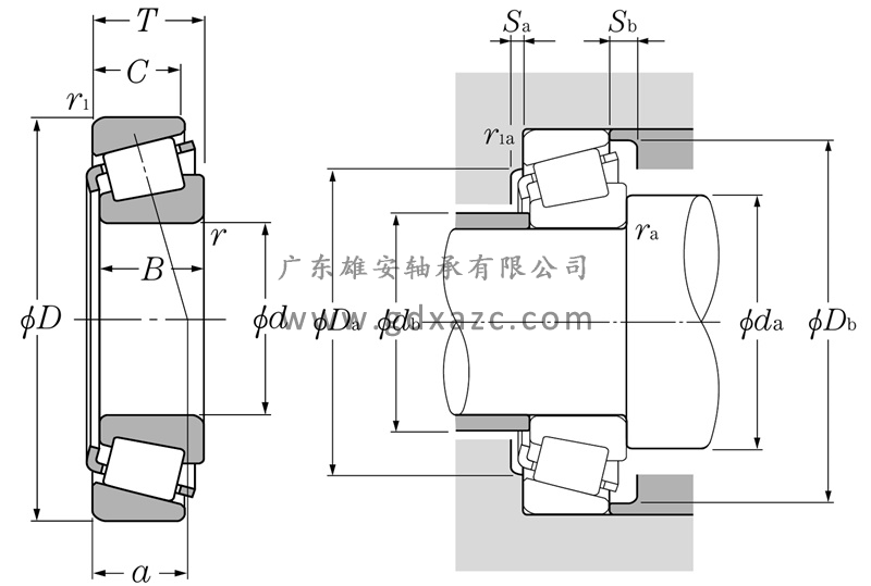
基本参数 型号 32964E1 系列 圆锥滚子轴承
主要尺寸(mm) d 320 D 440
T 76 B 72
C 63 rsmin 3
rs1min 3
额定基本负荷 Cr(kN) 865 C0r(kN) 1880
Cr(kgf) 88000 C0r(kgf) 192000
允许转速(min-1) 脂润滑 670 油润滑 900
ISO的尺寸 (参考)
安装相关尺寸(mm) da(最小) 338 db(最大) 344
Da(最大) 426 Da(最小) 398
Db(最小) 425 Sa(最大) 13
Sb(最小) 13 ras(最大) 3
r1as(最大) 2.5
作用点(mm) a 85
常数 e 0.39
轴向负荷系数 Y2 1.55 Y0 0.85
重量(kg) 大约 31.7

联系方式 / CONTACT US

地址:

广东省东莞市南城区高盛科技大厦C座605

电话:

13332603039

邮箱:

gdxiongan@163.com

在线客服
热线电话
13332603039
固话
0769-22288007

扫一扫 加微信