全国统一服务热线:

13332603039

型号查询 X

产品中心Products Center

您的位置:首页 > 产品中心

FAG&INA 2210-K-2RS-TVH-C3 调心球轴承(带紧定套)

产品名称: FAG&INA 2210-K-2RS-TVH-C3
类型: 调心球轴承(带紧定套) 品牌: FAG&INA 轴承
型号: 2210-K-2RS-TVH-C3 厚度(mm): 23.000
内径d: 50.000 外径D: 90.000

广东雄安轴承有限公司 咨询热线:13332603039

详细信息
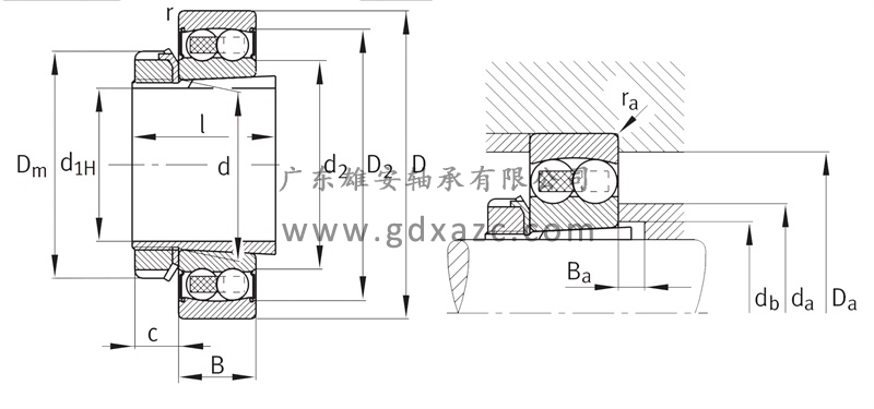
基本参数 型号 2210-K-2RS-TVH-C3 系列 调心球轴承(带紧定套)
主要尺寸(mm) d 50 D 90
B 23 r(min) 1.1
D1 80 d1 60.6
Dm 70 I 42
c 13 d1H 45
安装尺寸 da(max) 62 Da(max) 83
db(min) 53 Ba(min) 5
ra(max) 1
基本额定载荷 Cr(N) 22900 C0r(N) 8000
计算系数 e 0.2 Y1 3.17
Y2 4.9 Y0 3.32
疲劳极限转速 Cur(N) 500
极限转速(min-1) nG 5300
参考转速(min-1) nB -
紧定套型号 - H310
重量(kg) 轴承 0.593 紧定套 0.301

联系方式 / CONTACT US

地址:

广东省东莞市南城区高盛科技大厦C座605

电话:

13332603039

邮箱:

gdxiongan@163.com

在线客服
热线电话
13332603039
固话
0769-22288007

扫一扫 加微信