全国统一服务热线:

13332603039

型号查询 X

产品中心Products Center

您的位置:首页 > 产品中心

FAG&INA CRB25/72 带橡胶内衬的外球面球轴承

产品名称: FAG&INA CRB25/72
类型: 带橡胶内衬的外球面球轴承 品牌: FAG&INA 轴承
型号: CRB25/72 厚度(mm): 31.000
内径d: 25.000 外径D: 73.000

广东雄安轴承有限公司 咨询热线:13332603039

详细信息
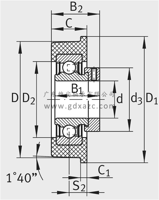
基本参数 型号 CRB25/72 系列 带橡胶内衬的外球面球轴承
主要尺寸(mm) d 25 D 73
B1 31 D1 80
C 25 C2
C1 5 S1
D2 46 P
d3 37.5 S2 12.5
B2 36
橡胶内衬 肖式硬度A(°) 80 承载能力CG(N) 1000
基本额定载荷 Cr(N) 14000 C0r(N) 7800
参考 轴承型号 6205
重量 kg 0.32

联系方式 / CONTACT US

地址:

广东省东莞市南城区高盛科技大厦C座605

电话:

13332603039

邮箱:

gdxiongan@163.com

在线客服
热线电话
13332603039
固话
0769-22288007

扫一扫 加微信