全国统一服务热线:

13332603039

型号查询 X

产品中心Products Center

您的位置:首页 > 产品中心

FAG&INA PCSLT25 双螺栓法兰式轴承座单元(冲压钢轴承座)

产品名称: FAG&INA PCSLT25
类型: 双螺栓法兰式轴承座单元(冲压钢轴承座) 品牌: FAG&INA 轴承
型号: PCSLT25 厚度(mm): 16.000
内径d: 25.000 外径D: 95.200

广东雄安轴承有限公司 咨询热线:13332603039

详细信息
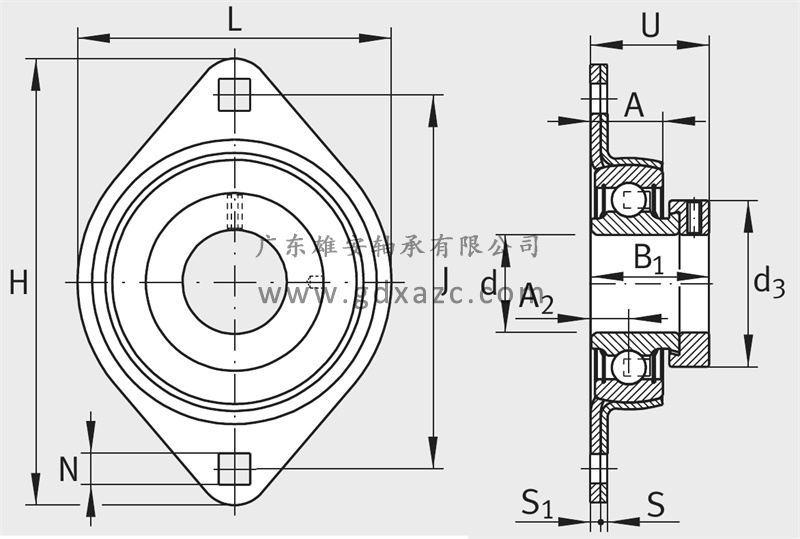
基本参数 型号 PCSLT25 系列 双螺栓法兰式轴承座单元(冲压钢轴承座)
主要尺寸(mm) d 25 H 95.2
A 16 L 71
S 2 S1 3
N 8.7 B
B1 25.4 J 76.2
A2 8.5 d3(max) 36
U 28 V
轴承座的承载能力(N) Cor G 4500
基本额定载荷 Cr(N) 10100 C0r(N) 5900
型号 轴承座 FLAN47-CSLT-FA125/FLAN47-CST-FA125(1件) 外球面球轴承 RALE25-NPP-B
重量 kg 0.25

联系方式 / CONTACT US

地址:

广东省东莞市南城区高盛科技大厦C座605

电话:

13332603039

邮箱:

gdxiongan@163.com

在线客服
热线电话
13332603039
固话
0769-22288007

扫一扫 加微信