全国统一服务热线:

13332603039

型号查询 X

产品中心Products Center

您的位置:首页 > 产品中心

FYH UCFS311D 带凸台方形座轴承

产品名称: FYH UCFS311D
类型: 带凸台方形座轴承 品牌: FYH 轴承
型号: UCFS311D 厚度(mm): 185.000
内径d: 55.000 外径D: 66.000

广东雄安轴承有限公司 咨询热线:13332603039

详细信息
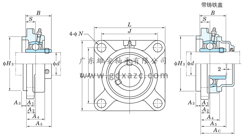
基本参数 型号 UCFS311D 系列 带凸台方形座轴承
轴径(mm) d 55
尺寸(mm) L 185 B 66
H3 150 J 140
N 23 A1 20
A2 17 A3 13
A4 39 A5 58
S 25
安装螺栓 (公称型号) M20
适用轴承箱 (普通品) FS311
适用轴承 公称型号 UC311 基本额定负荷Cr(kN) 71.6
基本额定负荷Cor(kN) 45.0 系数f0 13.2
盖的尺寸(mm) Ac 74
组件重量(参考) kg 7.0
备注 - 一端密闭型带铸铁防尘盖、圆柱孔(带止动螺钉)

联系方式 / CONTACT US

地址:

广东省东莞市南城区高盛科技大厦C座605

电话:

13332603039

邮箱:

gdxiongan@163.com

在线客服
热线电话
13332603039
固话
0769-22288007

扫一扫 加微信