全国统一服务热线:

13332603039

型号查询 X

产品中心Products Center

您的位置:首页 > 产品中心

FYH UCPA210 窄幅带立式座轴承(带止动螺钉)

产品名称: FYH UCPA210
类型: 窄幅带立式座轴承(带止动螺钉) 品牌: FYH 轴承
型号: UCPA210 厚度(mm): 130.000
内径d: 50.000 外径D: 51.600

广东雄安轴承有限公司 咨询热线:13332603039

详细信息
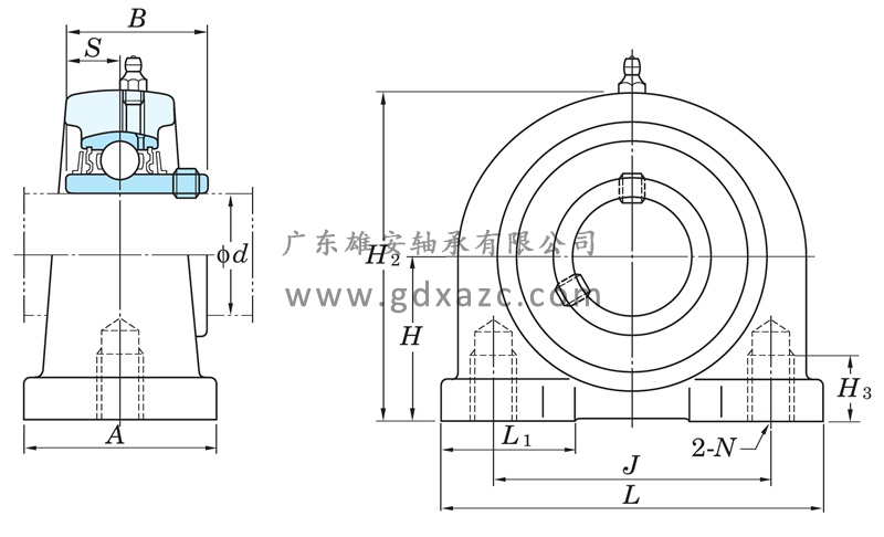
基本参数 型号 UCPA210 系列 窄幅带立式座轴承(带止动螺钉)
轴径(mm) d 50
尺寸(mm) L 130 B 51.6
H(±0.15) 57.2 A 64
J(±0.15) 94 N M16x 2
H2 113 H3 25
L1 47 S 19
适用轴承箱 (公称型号) PA210
适用轴承 公称型号 UC210 基本额定负荷Cr(kN) 35.1
基本额定负荷Cor(kN) 23.3 系数f0 14.4
组件重量(参考) kg 2.8

联系方式 / CONTACT US

地址:

广东省东莞市南城区高盛科技大厦C座605

电话:

13332603039

邮箱:

gdxiongan@163.com

在线客服
热线电话
13332603039
固话
0769-22288007

扫一扫 加微信