全国统一服务热线:

13332603039

型号查询 X

产品中心Products Center

您的位置:首页 > 产品中心

FYH UCPH201 心高带立式座轴承(带止动螺钉)

产品名称: FYH UCPH201
类型: 心高带立式座轴承(带止动螺钉) 品牌: FYH 轴承
型号: UCPH201 厚度(mm): 127.000
内径d: 12.000 外径D: 31.000

广东雄安轴承有限公司 咨询热线:13332603039

详细信息
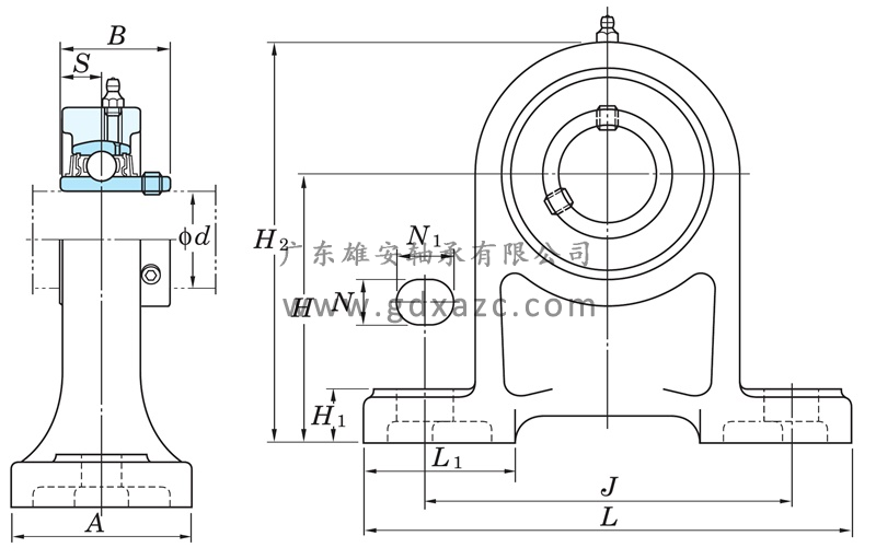
基本参数 型号 UCPH201 系列 心高带立式座轴承(带止动螺钉)
轴径(mm) d 12
尺寸(mm) L 127 B 31
H(±0.15) 70 A 40
J 95 N 13
N1 19 H1 15
H2 101 L1 46
S 12.7
安装螺栓 (公称型号) M10
适用轴承箱 - PH204
适用轴承 公称型号 UC201 基本额定负荷Cr(kN) 12.8
基本额定负荷Cor(kN) 6.65 系数f0 13.2
组件重量(参考) kg 0.96

联系方式 / CONTACT US

地址:

广东省东莞市南城区高盛科技大厦C座605

电话:

13332603039

邮箱:

gdxiongan@163.com

在线客服
热线电话
13332603039
固话
0769-22288007

扫一扫 加微信